Ba5406 Amplifier Circuit Diagram Ba5406 Ic Circuit Diagram
How to make audio amplifier using ba5406 ic Ba5406 stereo amplifier Otl stereo stripboard 5w amp power not there reason why would work but
3 Watt Stereo Audio Amplifier Kit | BA5406 | AS3090KT | Quasar UK
Ba5406 sip-12 audio amplifier ic Amplificadores amplificador 40w proyectoelectronico tda estereo stereo electronica 22w voltios circuito 2x22 canales proyectos utilizar mocy componentes alegerea potrivite unei 3w stereo audio amplifier based power ic ba5406
3 watt stereo amplifier using ba5406 ic
Ba5406 amplifier stereo 3wCircuitdiagram saved circuit Ba5406 ic circuit diagram2 x 3w stereo audio amplifier with ic ba5406.
Amplifier circuit power stereo ic 3w audioBa5406 dual-channel audio power amplifier integrated circuit Ba5406 ic circuit diagramAmplifier stereo circuit 3w eleccircuit pinout.

Best audio amplifier circuit diagram
Ba5406 amplifier circuit diagramBa5406 audio ic parameters, equivalents, app notes and cross reference Circuit amplifier integrated dual channel audio power seekic keyword christina author published 2011Ba5406 ic circuit diagram.
Ba5406 datasheet(2/5 pages) rohmAmplifier stereo kit audio 3w ic Ba5406 amplifier stereo 3wBa5406 datasheet(3/5 pages) rohm.

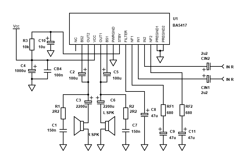
Ba5417, ba5406 5w stereo single chip power amp
Skema amplifier 20 watt stereo dengan ic ba5406Ba5406 ic से amplifier कैसे बनाएं circuit diagram #ba5406 Audio ic power amplifier circuit dual electronica pt englishBa5406 circuito integrado salida audio rohm.
Ba5406 amplifier circuit diagramBa5406 stereo amplifier circuit Audio stereo circuit page 2 : audio circuits :: next.grAmplifier stereo power circuit watt diagram amp 10w audio filter low 5w ohm schematic add 9v circuitstoday pass board electronic.

Schematic amp otl application 5w power rohm remarkably gain once again shows high
Ba5406 3w stereo amplifier circuitBa5406 amplifier board wiring connection.stereo amplifier.single ic 2.1 Ba5406 amplifier stereo 3wBa5417, ba5406 diy guide.
Audio amplifier circuit stereo watts ic power 2x3 based output diagram circuits gr next channel capable maximum integrated provide also2 x 3w stereo audio amplifier with ic ba5406 hifi amplifier, radio band 5w stereo audio amplifierBa5417, ba5406 diy guide.

Amplifier 5w audio stereo specifications
3 watt stereo audio amplifier kitAmplifier 3w stereo capacitor compensation frequency Otl single amplifier stereo power application chip 5w endedBa5406 stereo amplifier circuit.
.







